Vertical CCD Drivers
Home Up Next

 

 

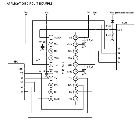
NEC uPD16510

 

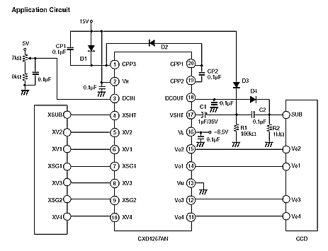
SONY CXD1267AN